AC/DC
-
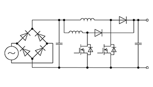
Interleaved Boost PFC
-
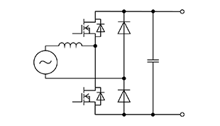
Totem-Pole Bridgeless PFC
(Diode Rectification) -
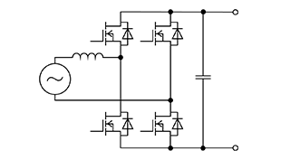
Totem-Pole Bridgeless PFC
(Synchronous FETs)
AUX PS (Auxiliary Power Supply)
-
Single-end Flyback with RCD snubber
(Controller IC version) -
Single-end Flyback with RCD snubber
(AC/DC IC version) -
Single-end Flyback with RCD snubber
(DC input version) -
Three phase Single-end Flyback with RCD snubber
(Controller IC version) -
Three phase Single-end Flyback with RCD snubber
(AC/DC IC version) -
Three phase Single-end Flyback with RCD snubber
(DC input version) -
Two switch flyback
(Controller IC version) -
Two switch flyback
(DC input version)







