LTspice®⽤の回路モデル
回路シミュレーションに使⽤するLTspice®モデルを提供しています。
回路シミュレーションによる事前予測にお役⽴てください。
| Category | Topology | NO. | Simulation circuit name | 回路モデル zipダウンロード | ドキュメント ダウンロード | 
| Boost PFC | A-001 | AC-DC Boost PFC Vin=200V Iin=2.5A BCM | |||
| A-002 | AC-DC Boost PFC Vin=200V Iin=2.5A CCM | ||||
| A-004 | AC-DC Boost PFC Vin=200V Iin=2.5A DCM | ||||
| A-003 | AC-DC Boost PFC Vin=200V Iin=2.5A CCM Synchronous FETs | ||||
| A-005 | AC-DC Boost PFC Vin=200V Iin=2.5A DCM Synchronous FETs | ||||
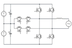
| Interleaved PFC | A-006 | AC-DC Interleaved PFC Vin=200V Iin=2.5A CCM | |||
| A-007 | AC-DC Interleaved PFC Vin=200V Iin=2.5A CCM Synchronous FETs | ||||
| A-009 | AC-DC Interleaved PFC Vin=200V Iin=2.5A DCM Synchronous FETs | ||||
| A-017 | AC-DC 3-Phase Interleaved PFC Vin=200V Iin=7.5A DCM | ||||
| Totem-pole PFC | A-010 | AC-DC Totem-Pole Bridgeless PFC Vin=200V,Iin=100A,Synchronous FETs | |||
| A-011 | AC-DC Totem-Pole Bridgeless PFC Vin=200V,Iin=100A,Diode Rectification | ||||
| Diode-Bridgeless PFC | A-012 | AC-DC Diode-Bridgeless PFC Vin=200V Iin=2.5A BCM | |||
| A-014 | AC-DC Diode-Bridgeless PFC Vin=200V Iin=50A CCM Synchronous FETs | ||||
| A-016 | AC-DC Diode-Bridgeless PFC Vin=200V Iin=50A DCM Synchronous FETs | ||||
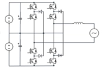
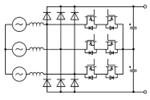
| 3-Phase PFC | A-019 | AC-DC 3-Phase 2-level Full Bridge PFC 3-Wire Vin=200V Pin=25kW | |||
| A-020 | AC-DC 3-Phase Plus Neutral 2-level Full Bridge PFC Vin=200V Pin=25kW | ||||
| A-021 | AC-DC 3-Phase Vienna PFC Vin=480V Pin=33kW | 
| Category | Topology | NO. | Simulation circuit name | 回路モデル zipダウンロード | ドキュメント ダウンロード | 
| IH Inverter | B-001 | DC-AC IH 1-Phase 2-level Half Bridge Inverter Pout=10kW | |||
| B-002 | DC-AC IH 1-Phase 2-level Full Bridge Inverter Pout=20kW | ||||
| Half Bridge Inverter | B-003 | DC-AC 1-Phase 2-level Half Bridge Inverter Pout=20kW | |||
| Full Bridge Inverter | B-004 | DC-AC 1-Phase 2-level Full Bridge Inverter Pout=20kW | |||
| 1-phase 3-wire inverter | B-005 | DC-AC 1-Phase 3-Wire Inverter Pout=20kW | |||
| 3-Phase Inverter | B-006 | DC-AC 3-Phase 3-Wire Inverter Pout=5kW | |||
| B-008 | DC-AC 2-Phase Modulation Inverter Pout=10kW for Motor Drive | ||||
| B-009 | DC-AC 3-Phase Modulation Inverter Pout=10kW for Motor Drive | ||||
| B-010 | DC-AC 3-Phase Step Moduolation Inverter Pout=5kW for Motor Drive | ||||
| B-007 | DC-AC 3-Phase Plus Neutral Inverter Pout=10kW | ||||
| 3-level inverter | B-011 | DC-AC 3-level NPC-T Inverter Pout=10kW | |||
| B-012 | DC-AC 3-level NPC-I Inverter Pout=10kW | 
| Category | Topology | NO. | Simulation circuit name | 回路モデル zipダウンロード | ドキュメント ダウンロード | 
| Boost Converter | C-002 | DC-DC Boost Convereter Vo=800V Io=20A | |||
| C-004 | DC-DC Boost Synchronous Converter Vo=800V Io=20A | ||||
| Buck Converter | C-008 | DC-DC Buck Synchronous Converter Vo=250V Io=100A | |||
| C-009 | DC-DC Buck Synchronous Converter 2-Phase Vo=250V Io=200A | ||||
| Flyback Converter | C-010 | DC-DC Flyback Converter Vin=800V Vo=25V Io=10A | |||
| Quasi-Resonant Converter | C-016 | DC-DC Quasi-Resonant Converter Vin=800V Vo=25V Io=10A | |||
| Forward Converter | C-011 | DC-DC Forward Converter Vin=500V Vo=25V Io=10A | |||
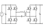
| LLC Resonant Converter | C-012 | DC-DC LLC Buck Converter Vo=12V Io=250A | |||
| C-014 | DC-DC LLC Converter (Full bridge, Synchronous Rectification) | ||||
| Buck-Boost Converter | C-017 | DC-DC Buck-Boost Converter Vo=400V Io=40A | |||
| Phase-Shift Resonant Converter | C-019 | DC-DC Phase-Shift Buck Converter Vo=12V Io=250A | 
各種トポロジーはこちらのページからダウンロードください


