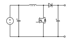
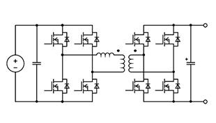
DC/DC (MPPT)
DC/AC (Inverter)
-
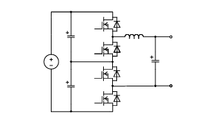
Full bridge inverter (1-phase application)
-
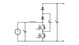
HERIC inverter (1-phase application)
-
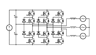
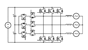
3-Level NPC TYPE-I inverter (3-phase application)
-
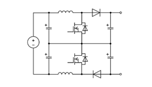
3-Level NPC TYPE-T inverter (3-phase application)
DC/DC (Battery charger, optional)












