PMIC Lineup for Renesas R-Car Gen3 platform
The system power solutions chosen by several R-Car Gen3 "Official evaluation boards" validated by Renesas.

- SoC
3rd generation - ROHM PMIC Solution
- HHigh End
(R-Car H) - R-Car H3
- MMid Range
(R-Car M) - R-Car M3
- EEntry
(R-Car E) - R-Car E3
- DDashboard
(R-Car D) - R-Car D3
- VVision
(R-Car V) - R-Car V3HR-Car V3M
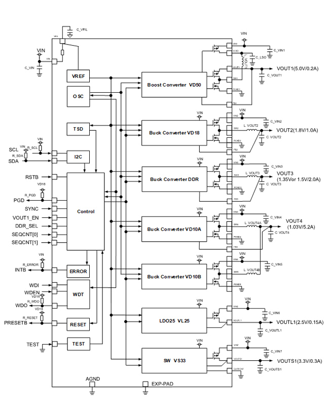
BD9573MUF-M
Features
- Power management for R-car D3 (*E3 if Iout ≦ 5.2A)- 最適シーケンス対応- DDR3/3Lメモリサポート
- スイッチング周波数 2.25MHz±10%
- 出力電圧設定抵抗内蔵/位相補償内蔵/Discharge機能
- パワーグット内蔵(PGD端子)
- ウィンドウ方式WDT(ウオッチドッグタイマ)内蔵
- I2C制御(異常状態確認用レジスタ内蔵)
- 保護機能(UVLO,OCP,OVP,UVP,SCP,TSD)
- シーケンス時間を変更可能(SEQCNT1,2)
- EEPROMサポート
Key specifications
- 入力電圧範囲 :3.0V~3.6V
- 動作温度範囲 :-40℃~+105℃
- 出力電圧精度 :精度 ±1.8%
Package
VQFN56FV8080
W(Typ.) x D(Typ.) x H(Max.)
8.0mm x 8.0mm x 1.0mm
0.5mm Pitch

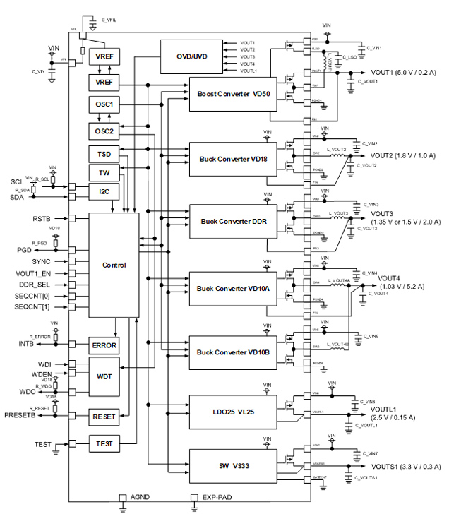
BD9576MUF-C
Features
- Power management for R-car V3M (*E3 if Iout ≦ 5.2A)- 最適シーケンス対応- DDR3/3Lメモリサポート
- ASILサポート用の機能安全機能を実装- 電圧監視/温度監視機能 (OVD,UVD,TW)- ウィンドウ方式WDT(ウオッチドッグタイマ)内蔵- 自己診断機能(BIST)を内蔵しIC内部の検出機能を診断(発振器、基準電圧、監視機能)
- スイッチング周波数 2.25MHz±10%
- 出力電圧設定抵抗内蔵/位相補償内蔵/Discharge機能
- パワーグット内蔵(PGD端子)
- I2C制御(異常状態確認用レジスタ内蔵)
- 保護機能(UVLO,OCP,OVP,UVP,SCP,TSD)
- シーケンス時間を変更可能(SEQCNT1,2)
- EEPROMサポート
Key specifications
- 入力電圧範囲 :3.0V~3.6V
- 動作温度範囲 :-40℃~+125℃
- 出力電圧精度 :精度 ±1.8%
Package
VQFN56FV8080
W(Typ.) x D(Typ.) x H(Max.)
8.0mm x 8.0mm x 1.0mm
0.5mm Pitch

Functional Safety Detection Demo of Power Management IC BD9576MUF-C


